Warum bootet mein PC nicht mehr normal?

klaus1003

New member
Guten Morgen!

Ich habe ein Problem mit dem Start meines Windows 10 Rechners. Falls Ihr dafür nicht zuständig sind, wäre es nett, wenn Ihr mein Problem an die passende Adresse weiterleiten würdet.
Seit einigen Wochen habe ich beim Booten des Rechners ein Problem. Es stellt sich wie folgt dar:
Bislang bootete der Rechner, indem er einen Starttext/ein Startbild des Rechner-Herstellers zeigte. Dabei öffnete sich unten auf dem Bildschirm kurz ein Hinweistext, der mir ermöglichte mit einer bestimmten Taste ins UEFI/BIOS zu gelangen. Später beim Bootvorgang öffnete sich oben ein Hinweis, der es mir ermöglichte in den `Acronis Startup Recovery Manager´ zu gelangen, der es mir möglich machte auf Backups zuzugreifen, die ich auf einer externen HD angelegt hatte. Das alles geht nicht mehr. Der PC bootet jetzt so, dass ich einen kleinen Bindestrich (-) sehe, dann startet sofort Windows 10 mit dem blauen Windows-Fenster.
Auch meine Versuche die entsprechenden Tasten zu drücken, obwohl keine Hinweise dazu angezeigt wurden, schlugen fehl.
Ebenso scheiterte mein Unterfangen über `Einstellungen-Wiederherstellung-…. ´ins UEFI zu gelangen, da der PC beim Neustart eben nicht dorthin bootete, sondern (wie oben beschrieben) wieder zu Windows durchstartete.
Auch mein Versuch bei gestartetem PC von der Desktop App `Acronis True Image´ aus auf ein Backup zuzugreifen scheiterte, weil nach dem Neustart eben nicht die Acronis Wiederherstellung startete, sondern erneut Windows direkt gestartet wurde.
Genauso half auch die Installation von `MSI Fast Boot´ (mein Mainboard stammt von MSI) nichts. Ich stellte ein „Go to BIOS“, tat der Rechner aber nicht. Ich stellte ein „Fast Boot off“, trotzdem kein langsameres normales Startverhalten.
Ich versuchte auch den Bootmanager zu reparieren mit „bootrec /fixmb“ und „bootrec /fixboot“ und „bootrec /rebuildbcd“. Das fruchtete auch nichts, da mir cmd (als Admin gestartet) meldete, bootrec könne nicht gefunden werden bzw. sei falsch geschrieben.
Nun bin ich am Ende meines Wissens und Könnens und brauche echte professionelle Hilfe! Danke!
 
Welches Mainboard genau?

Ich versuchte auch den Bootmanager zu reparieren mit „bootrec /fixmb“ und „bootrec /fixboot“ und „bootrec /rebuildbcd“. Das fruchtete auch nichts, da mir cmd (als Admin gestartet) meldete, bootrec könne nicht gefunden werden bzw. sei falsch geschrieben.
das bringt nur was, wenn Windows nicht mehr startet, weil der Bootmanager defekt ist.
Und die Eingaben gelten nur bei Windows Installationen im BIOS/CSM Mode, nicht aber im UEFI Modus.


BIOS reset/CMOS clear mal testen ob das was bringt
 
Danke für die Antwort. Leider komme ich erst jetzt dazu zu antworten.

Mainboard:
Den Rechner habe ich bim Februar dieses Jahres gekauft: Memory PC Intel Core i/-9700 139618 G, MBI So1151 MSI H310M Pro-M2 Plus- Mainboard - ATX Coffee Lake, CPU Intel So1151 Core i7 9700 8x3,0 Ghz+8C/16T 65 W boxed Coffee Lake-R.

Ich habe laut System: UEFI

"BIOS reset/CMOS clear mal testen ob das was bringt" Wie muss ich da vorgehen?
 
war ne nicht ganz so gute Wahl für Februar diesen Jahres. den die CPU ist schon mitlerweile gut ein Jahr EoL, das Board ist nur ein billiges "office" Board mit wenig Ausstattung und halt schlecht gekühlten Spannungswandlern für die CPU, Intel ist seit letztem Sommer da schon ne CPU und Sockel Generation weiter.


Wie muss ich da vorgehen?
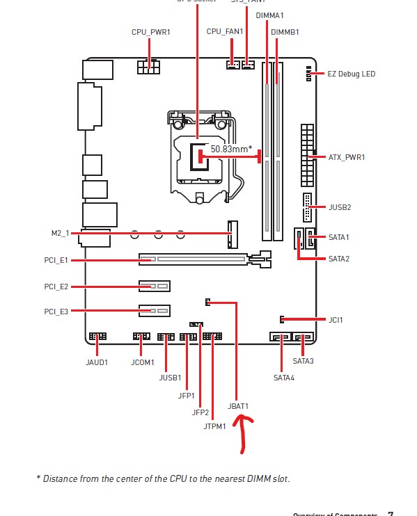
Entweder PC vom Stromnetz trennen und mal die zwei Clear CMOS Pins (JBAT1) auf dem Board für 1min brücken
Screenshot 2021-09-05 105241.jpg


Oder PC vom Stromnetz trennen und die Mainboard Knopfzellen Batterie für 1min raus nehmen.

Und für Acronis erstellt man sich ein Notfall Stick, von den man dann bootet um die Backups wiederherzustellen
 
Danke für die Hinweise. Soeben habe ich bei meinem PC den Stromstecker gezogen und ihn aufgeschraubt. Die Batterie habe ich gleich gefunden. Habe sie für 1 Minute entfernt und wieder eingesetzt. Nach Neustart des Rechners startet immer noch kein UEFI Bios, sondern gleich Windows.
Bei den zwei Clear CMOS Pins (JBAT1) war ich mir nicht klar, was du mit "brücken" meinst. Ich bin davon ausgegangen, dass es "drücken" heißen soll. Dein Pfeil zeigt aber nur einen. Da ich nicht erkenne, wo die bei mir sind, habe ich ein Bild meiner ` Innereien´ hinzugefügt. Hoffentlich kannst du mir sagen, welche es sind!
Im Übrigen habe ich ähnliche Hinweise im Netz gefunden, die ich auch hier einfüge. Meinen diese Hinweise dasselbe?

20210910_074544.jpg
Ashampoo_Snap_Freitag, 10. September 2021_06h17m19s_002_.jpg
 
was du mit "brücken" meinst. Ich bin davon ausgegangen, dass es "drücken" heißen soll
Brücken = die zwei Pins mit nem Schraubendreher oder einem Jumper, der neben den Pins steckt verbinden


Dein Pfeil zeigt aber nur einen
Ne, der Strich geht doch in die untere Mitte des Boards und da sind die zwei Pins
Hoffentlich kannst du mir sagen, welche es sind!
Das Bild ist etwas ungünstig fotografiert, die Pins sind so unterhalb der Batterie
 
Aber im Grunde bootet der PC aktuell genau wie er eigentlich Standardmäßig soll.
Den Text beim einschalten sieht man eigentlich nicht unbedingt mehr, da meist im UEFI Fast Boot aktiviert ist und der Postscreen Text da einfach übersprungen wird. Uns UEFI kommt man da dann meist nur über die erweiterten Start Optionen von Windows, zu den kommt man entweder über die Windows Einstellungen/Updates und Sicherheit/Wiederherstellung oder wenn man den PC 3 mal neu startet und abwürgt
 
Danke für die prompte Rückmeldung!
Fast Boot ist bei mir durch ein kleines Tool von msi deaktiviert. Dort kann man FAST BOOT ein bzw. ausschalten. Über die Systemeinstellungen -Wiederherstellung komme ich eben auch nicht ins UEFi. Selbst wenn ich es auswähle, startet der PC nicht dorthin, sondern startet sogleich Windows ohne den Vorlauf, wo ich auf das UEFI bzw. mein Aronis Startup Recovery Tool zugreifen könnte. Das ist ja das Dilemma.

Das mit mit dem Bücken verstehe ich leider nicht. Dazu bin ich zu wenig Profi. Es wäre nett, wenn du mir das genauer schildern könntest. Dazu habe ich mal ein hoffentlich besseres Bild beigefügt.

20210910_132157.jpg
 
Da, steht sogar an den Pins dran 😉
20210910_132157.jpg


Brücken, halt ne Brücke bauen, halt zwei Punkte miteinander verbinden, in dem Fall die zwei Pins miteinander verbinden, zb mit nem Schraubendreher, nem Kabel oder was anderem.

sondern startet sogleich Windows ohne den Vorlauf,
Kannst du mal ein Screenshot von der Datenträgerverwaltung posten, unten von der Balkenansicht, wo man dein Systemlaufwerk im ganzen sieht, ich hab da eher die Vermutung, das es dir die Wiederherstellungspartition zerschossen hat.
Oder hattest du die da zufällig gelöscht, weil du dachtest, die braucht man nicht?
Denn darin befindet sich sozusagen der erweiterte Start von win10
 
Ja wenn ich das richtig sehe ist deine 513MB Partition da am Ende halt nicht mehr die Wiederherstellungspartition, da wurde irgendwas beschädigt.
Es müsste halt so aussehen, wie unten in dem Bild, das da auch Wiederherstellungspartition drin steht, ob die nun wie bei mir am Anfang, oder am Ende ist, wie bei dir, ist da egal.
Screenshot 2021-09-11 120322.jpg


Deswegen kommst du auch nicht in den erweiterten Start, weil die Partition da beschädigt oder nicht richtig vorhanden ist.

Kannst du mal unter Windows rechts klick auf Start machen und Windows PowerShell (Admin..) wählen, da mal das eingeben/einfügen:
Reagentc /Info


Wird da der WinRE Status als enable oder disable angegeben?
bei Disable gib dann mal das ein:
Reagentc /enable

Und Dann nochmal:
Reagentc /Info

und dann mal gucken ob da enable oder disable angegeben wird
 
Kann man das irgendwie wieder herstellen?
So wie ich das im Internet raus gelesen habe geht das nicht so einfach, das ist ziemlich kompliziert. da ist es einfacher Windows neu zu installieren.

Man könnte natürlich von hier Punkt 7 und 8 mal durchlaufen lassen und gucken ob das zufällig auch diese Partition repariert.
Und danach noch mal gucken ob man es wieder mit Reagentc /enable aktivieren kann
 
Hallo, da bin ich wieder!
Die Punkte 7 und 8 von `Deskmodder´, soweit ich sie durchführen konnte, haben nichts gebracht.
Allerdings glaube ich auch nicht mehr, dass mein Problem etwas mit der nicht vorhandenen Wiederherstellungspartition zu tun hat. Auf meinem Laptop sieht die Laufwerkverwaltung unter C: nämlich genau gleich aus wie auf meinem PC derzeit und der Laptop startet normal. Ich habe auch einen KLON von C: ausprobiert, den ich vor 3 Monaten erstellt hatte. Aber auch dort sieht alles gleich aus und der PC bootet gleich nach Windows.
Damit kann es also nichts zu tun haben.

Für mich stellt sich das so dar. Mein UEFI oder BIOS fehlt einfach, ist verschwunden, weiß der Geier warum. Das müsste ich wieder herkriegen. Gibt es dazu von Dir oder im Forum neue Ideen?
Wäre echt toll!
 

Online-Statistiken

Zurzeit aktive Mitglieder
0
Zurzeit aktive Gäste
224
Besucher gesamt
224

Youtube Box

PCMasters auf Youtube

Beliebte Forum-Themen

Zurück
Oben Unten
X
PCMasters.de Gewinnspiel
MAG B850 Tomahawk Max WIFI
Mitmachen